info@tdtransmet.ru
Категория: Узкоколейные рельсы

Узкоколейные рельсы Р-18

В наличии на складе Цена по запросу
Отправить запрос
Тип:Новый
Новый Б/У СГ
Тип рельсаР-18
Вид, назначениежелезнодорожные, узкоколейные
Состояниеновые, б/у
Длина8000 мм
Ширина80 мм
Высота90 мм
Ширина головки40 мм
Толщина шейки10 мм
Высота шейки38 мм
Высота пера подошвы4,25 мм
Площадь поперечного сечения22,88 см2
Расстояние от верха головки до центра тяжести4,69 см
Мерная длина8 м
НЕмерная длина3-12 м
Вес метра17,9 кг
Метров в 1 тонне55,8 м
Масса рельса длинной 8 метров143,2 кг
ГOCT, TУГOCT 6368-82
Материалуглеродистая сталь
Единица измерениятонна

Среднее время доставки по Свердловской области: 7-10 дней

Наши логисты свяжутся с вами для уточнения деталей доставки

Железнодорожный рельс Р18 используется для прокладки и ремонта узкоколеек, которые эксплуатируются на технологических линиях производств и сырьевых базах, на пристанях и в морских портах, выполняют роль вагонеточных шахтных путей, линий передвижения кран-балок, мостовых кранов средней грузоподъемности и т. п. Наша компания постоянно имеет в наличии и отпускает со своего склада в Ульяновске рельсовый металлопрокат типа Р18, при желании заказчика организуя доставку материала в любую точку страны.

Описание и характеристики железнодорожных рельс Р18

Под маркой Р18 понимается железнодорожный рельс, масса погонного метра которого составляет 17,96 кг. Стандартная мерная длина такого проката – 8 метров, но наша компания имеет возможность поставить заказчику изделия немерной длины (от 3 до 12 м.) При этом изделия укороченной мерной длины для кривых участков ж/д пути будут иметь 7,87 м. Наша продукция полностью соответствует стандартам ГОСТ 6368-82, поэтому максимальное отклонение прямолинейности новой рельсы Р18 не превышает 2 мм., а ее торцы всегда обрезаны под прямым углом, что облегчает их стыковку.

В компании ТД Трансмет вы сможете купить рельс Р18 в Ульяновске без износа и дефектов, гарантией чему выступит наше сотрудничество с самыми проверенными, надежными и ответственными производителями проката. Кроме того, мы в обязательном порядке проводим тщательный осмотр материала и выполняем ультразвуковую диагностику каждой новой рельсы, что полностью исключает вероятность попадания в партию бракованных изделий.

ГOCT 6368-82 рельс Р18

На нашем сайте вы можете скачать ГOCT 6368-82 для узкоколейных рельс Р-18 —изображение

Пример расшифровки обозначения «Рельс Р18 Т60 8.0 без отверстий, ГОСТ 6368-82» и «Рельс Р18 70СП 8.0 без отверстий, ДСТУ 3799-98»:

  • тип/марка рельса;
  • Т60/70СП — марки стали;
  • мерная длина в метрах;
  • без отверстий;
  • ГОСТ стандарт по которому производят в России;
  • ДСТУ стандарт по которому производят рельс в Украине.

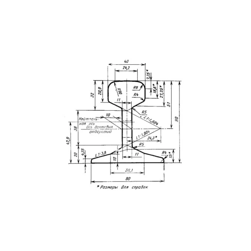
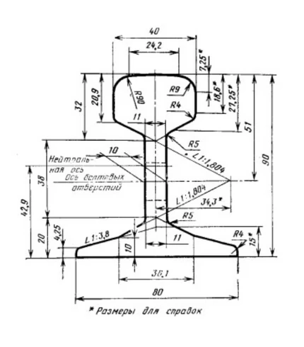
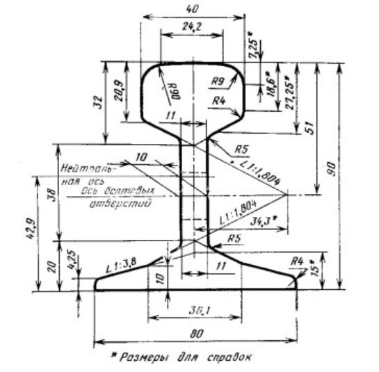
Чертеж/схема рельса типа Р-18

чертеж узкоколейных рельс Р-18

Железнодорожные рельсы Р18 по лучшей цене в Ульяновске

Многолетний опыт поставок рельсового проката позволил нам выработать оптимальную форму сотрудничества с клиентами. Мы не предлагаем фиксированных цен, поэтому наш прайс оказывается выгодным для всех покупателей, независимо от объема заказываемой продукции. На рельсы Р18 цена складывается из многих составляющих, но мы умеем минимизировать любые издержки, чтобы сделать конечному потребителю по-настоящему выгодное предложение. Заказывайте новый железнодорожный прокат для объектов в Ульяновске в ТД Трансмет и получите возможность серьезно сэкономить на строительстве или ремонте своей узкоколейки!

Предельные отклонения размеров

предельные отклонения размеров

Оплата и доставка продукции

Мы предлагаем свои услуги по доставке различных грузов для железных дорог, включая железнодорожные рельсы, шпалы и другие строительные материалы.

Мы обладаем собственным транспортом, который позволяет нам осуществлять доставку грузов быстро, качественно и в срок. Наша компания осуществляет доставку продукции по всей территории России и ближнего зарубежья.

Варианты доставки

  • Доставка автотранспортом по РФ.
  • Доставка железнодорожным составом.
  • Отправка ТК по запросу. Мы сотрудничаем со всеми сертифицированными транспортными компаниями.

Наша компания заботится о комфорте и безопасности клиентов, поэтому мы предлагаем различные виды транспорта для доставки. Не важно, нужно ли вам доставить грузы на большой расстояние или через город, мы предоставим вам наилучшее решение для вашего бизнеса.

Возможно Вас также заинтересует…

624002, Россия, Свердловская область, г. Арамиль, ул. Гарнизон, 3В